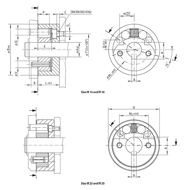
Bloqueios Irreversíveis IR

IR Zeichnung E

Seleção

Please note that for this model max. 1 selection is possible.

  sachnummer Weight Type Size Design d
[mm]
D
[mm]
L
[mm]
4883-021101-000000 0,15 IR 12 R 12 42 17,7
4883-024101-000000 0,22 IR 16 R 16 48 20,4
4883-044101-025H35 1,1 IR 25 R 25 85 30
4883-068101-000000 3,3 IR 35 R 35 120 45

Nenhuma reivindicação de responsabilidade corporativa ou garantia pode ser derivada do uso dos Arquivos CAD.

Todos os Arquivos CAD foram produzidos com o máximo de cuidado. Apesar disso, eles servem meramente para fins ilustrativos.

Somente desenhos de design liberados pela RINGSPANN serão fornecidos.

Formato do arquivo:

Contact us


 



RINGSPANN do Brasil Ltda.

Rua Vereador Oclésio Antonio Rebustini, 480

Marambaia, CEP 13.287-012, Vinhedo/SP



+55 (11) 97503 9323

 

contato@ringspann.com

 

www.ringspann.com.br

*

 

 

* *

 

*

 

 

*

250 / 250 characters

 

I accept the privacy policy *

By accepting the box you agree to receive information about our company and our news (products, catalogs ...).


 I am not a robot

 


* The fields marked with a star are required fields.