Irreversible Locks IR

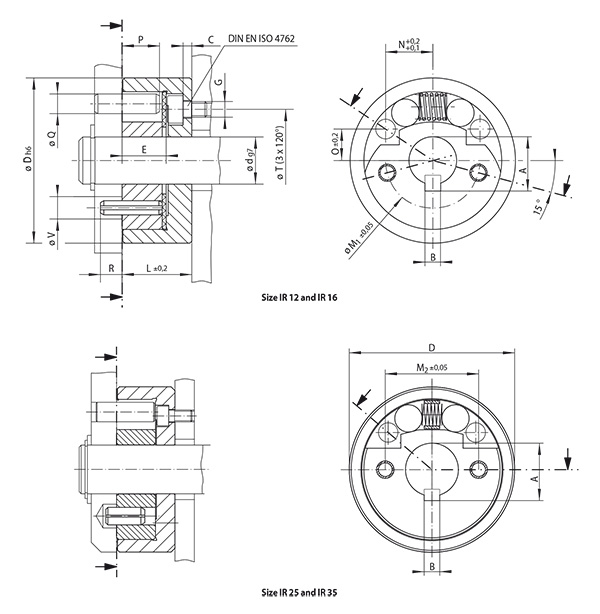
IR Zeichnung E

Selection

Please note that for this model max. 1 selection is possible.

  Type Type description MAKTX sachnummer Weight Type Size Design d
[mm]
D
[mm]
L
[mm]
IR 12 4883-021101-000000 0,15 IR 12 R 12 42 17,7
IR 16 4883-024101-000000 0,22 IR 16 R 16 48 20,4
IR 25 4883-044101-025H35 1,1 IR 25 R 25 85 30
IR 35 4883-068101-000000 3,3 IR 35 R 35 120 45

No claims for liability or warrenty claims can be derived from use of the CAD-Files.

All CAD-Files have benn produced with the greatest of care. In spite of this, they serve merely for the purpose of illustration.

Only design drawings which have been released by RINGSPANN are binding.

File format:

Contact us

Brazil


 



RINGSPANN do Brasil Ltda.

Rua Vereador Oclésio Antonio Rebustini, 480

Marambaia, CEP 13.287-012, Vinhedo/SP

Brazil



+55 (11) 97503 9323

 

contato@ringspann.com

 

www.ringspann.com.br

*

 

 

* *

 

*

 

 

*

250 / 250 characters

 

I accept the privacy policy *

By accepting the box you agree to receive information about our company and our news (products, catalogs ...).


 I am not a robot

 


* The fields marked with a star are required fields.